Tủ điện ATS 3 pha máy phát điện là giải pháp không thể thiếu giúp hệ thống điện tự động chuyển đổi nguồn khi xảy ra sự cố mất điện lưới, đảm bảo hoạt động liên tục và an toàn. Với khả năng vận hành ổn định, thiết bị này được ứng dụng rộng rãi trong nhà máy, tòa nhà, bệnh viện và khu công nghiệp. Đọc ngay bài viết của TVD TECH để hiểu rõ hơn về cấu tạo, nguyên lý hoạt động và cách lựa chọn tủ điện ATS 3 pha phù hợp.
1. Tủ điện ATS 3 pha máy phát điện là gì?

Tủ điện ATS 3 pha máy phát điện là giải pháp quan trọng giúp duy trì nguồn điện liên tục cho các công trình sử dụng điện 3 pha. Thiết bị cho phép tự động chuyển đổi nhanh chóng giữa điện lưới và máy phát khi xảy ra sự cố mất điện. Nhờ cơ chế vận hành thông minh, hệ thống điện luôn được đảm bảo ổn định và an toàn. Việc ứng dụng tủ ATS giúp giảm thiểu rủi ro gián đoạn sản xuất, kinh doanh và sinh hoạt. Đây là thiết bị không thể thiếu trong các nhà máy, tòa nhà, bệnh viện và trung tâm dữ liệu.
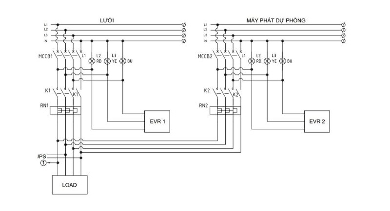
2. Cấu tạo tủ điện ATS 3 pha máy phát điện

Tủ điện ATS 3 pha máy phát điện được cấu thành từ nhiều bộ phận quan trọng, phối hợp chặt chẽ với nhau nhằm đảm bảo quá trình chuyển nguồn tự động diễn ra an toàn, chính xác và liên tục. Mỗi thành phần trong tủ đều giữ vai trò riêng, giúp hệ thống điện luôn ổn định khi xảy ra sự cố mất điện lưới. Việc hiểu rõ cấu tạo tủ ATS sẽ giúp người dùng dễ dàng lựa chọn, vận hành và bảo trì hiệu quả hơn. Dưới đây là các bộ phận chính trong tủ điện ATS 3 pha máy phát điện.
- Bộ chuyển nguồn tự động ATS: Đây là thành phần cốt lõi, có nhiệm vụ tự động chuyển đổi nguồn điện giữa điện lưới và máy phát. Bộ ATS giúp đảm bảo quá trình chuyển nguồn diễn ra nhanh chóng, không làm gián đoạn hệ thống.
- Aptomat (CB) nguồn lưới và nguồn máy phát: Aptomat dùng để đóng cắt và bảo vệ từng nguồn điện riêng biệt. Thiết bị này giúp ngăn ngừa quá tải, ngắn mạch, đảm bảo an toàn cho toàn bộ hệ thống.
- Bộ điều khiển ATS: Bộ điều khiển có chức năng giám sát điện áp, tần số và trạng thái của nguồn điện. Khi phát hiện sự cố, bộ điều khiển sẽ phát lệnh chuyển nguồn và điều khiển máy phát hoạt động.
- Contactor hoặc máy cắt: Contactor giúp thực hiện thao tác đóng cắt nguồn theo tín hiệu từ bộ điều khiển. Thiết bị này đảm bảo hai nguồn không đóng đồng thời, tránh xung đột điện.
- Hệ thống dây dẫn và thanh cái: Dây dẫn và thanh cái có nhiệm vụ truyền tải điện năng giữa các thiết bị trong tủ. Các chi tiết này được bố trí khoa học, đúng tiêu chuẩn để đảm bảo dẫn điện ổn định và an toàn.
- Vỏ tủ điện: Vỏ tủ thường được làm từ thép sơn tĩnh điện, có khả năng chống bụi, chống ẩm và bảo vệ thiết bị bên trong. Thiết kế vỏ tủ giúp tăng độ bền và đảm bảo an toàn khi vận hành.
3. Nguyên lý hoạt động tủ điện ATS 3 pha máy phát điện

Nguyên lý hoạt động của tủ điện ATS 3 pha máy phát điện dựa trên việc giám sát liên tục trạng thái của nguồn điện lưới và tự động chuyển đổi sang nguồn máy phát khi xảy ra sự cố. Trong điều kiện bình thường, ATS ưu tiên sử dụng điện lưới để cấp cho tải, đồng thời theo dõi điện áp, tần số nhằm phát hiện kịp thời các tình trạng mất điện, sụt áp hoặc điện áp không ổn định.
Khi điện lưới gặp sự cố, tủ ATS sẽ phát lệnh khởi động máy phát điện và sau thời gian trễ cài đặt, tự động chuyển nguồn cấp sang máy phát khi các thông số đạt chuẩn. Khi điện lưới được khôi phục ổn định, ATS tiếp tục chuyển tải trở lại nguồn lưới và cho máy phát chạy không tải rồi dừng hẳn, đảm bảo hệ thống cấp điện liên tục, an toàn và vận hành ổn định.
4. Công dụng tủ điện ATS 3 pha máy phát điện
Tủ điện ATS 3 pha máy phát điện có công dụng chính là tự động chuyển đổi nguồn điện giữa lưới điện và máy phát, đảm bảo quá trình cấp điện diễn ra liên tục khi xảy ra sự cố mất điện. Nhờ khả năng chuyển nguồn nhanh và chính xác, tủ ATS giúp hạn chế tối đa tình trạng gián đoạn hoạt động của các hệ thống quan trọng trong nhà máy, tòa nhà, bệnh viện hay trung tâm dữ liệu.
Bên cạnh đó, tủ ATS còn giúp bảo vệ thiết bị điện và máy phát điện thông qua việc kiểm soát điện áp, tần số và trình tự pha ổn định trước khi đóng tải. Việc tự động hóa quá trình chuyển nguồn giúp giảm sự phụ thuộc vào thao tác thủ công, nâng cao tính an toàn, tiết kiệm thời gian vận hành và tăng độ bền cho toàn bộ hệ thống điện.
Tủ điện ATS 3 pha máy phát điện được ứng dụng rộng rãi trong nhiều lĩnh vực nhờ khả năng đảm bảo nguồn điện liên tục và ổn định. Với tính tự động cao, thiết bị này giúp các hệ thống điện vận hành an toàn, hạn chế tối đa rủi ro do mất điện đột ngột gây ra.
- Nhà máy, khu công nghiệp: Đảm bảo dây chuyền sản xuất không bị gián đoạn, tránh thiệt hại về kinh tế khi mất điện lưới.
- Tòa nhà, trung tâm thương mại: Duy trì hoạt động ổn định cho thang máy, hệ thống chiếu sáng, điều hòa và an ninh.
- Bệnh viện, cơ sở y tế: Cấp điện liên tục cho các thiết bị y tế quan trọng, đảm bảo an toàn cho công tác khám chữa bệnh.
- Trung tâm dữ liệu, phòng server: Bảo vệ hệ thống máy chủ, tránh mất dữ liệu và gián đoạn dịch vụ.
- Khách sạn, khu nghỉ dưỡng: Giúp hoạt động kinh doanh diễn ra liền mạch, nâng cao trải nghiệm của khách hàng.
5. Mua tủ điện chất lượng cao, an toàn tại TVD Tech
TVD Tech là đơn vị chuyên cung cấp tủ điện chất lượng cao, đáp ứng đầy đủ các tiêu chuẩn kỹ thuật và an toàn trong vận hành. Sản phẩm tủ điện ATS 3 pha tại TVD Tech được thiết kế chắc chắn, linh kiện chính hãng, đảm bảo khả năng chuyển nguồn nhanh và ổn định. Quy trình sản xuất – lắp ráp được kiểm soát chặt chẽ, giúp tủ điện hoạt động bền bỉ theo thời gian. Bên cạnh đó, TVD Tech còn hỗ trợ tư vấn kỹ thuật chuyên sâu, lựa chọn giải pháp phù hợp với từng nhu cầu sử dụng. Chính sách bảo hành rõ ràng và dịch vụ hậu mãi tận tâm giúp khách hàng hoàn toàn yên tâm khi hợp tác.
Tủ điện ATS 3 pha máy phát điện không chỉ giúp đảm bảo nguồn điện liên tục mà còn nâng cao mức độ an toàn và tính tự động cho toàn bộ hệ thống. Việc lựa chọn sản phẩm chất lượng, đúng tiêu chuẩn kỹ thuật sẽ giúp doanh nghiệp giảm rủi ro, tối ưu chi phí vận hành lâu dài. TVD TECH tự hào là đơn vị cung cấp tủ điện ATS 3 pha uy tín, sẵn sàng tư vấn và đồng hành cùng bạn trong mọi giải pháp điện công nghiệp.
Thông tin liên hệ:
- Website: tvd-tech.vn
- Địa chỉ: J03-10 An Phú Villa, P. Dương Nội, Q. Hà Đông, Hà Nội, Việt Nam
- Hotline: (+84) 966 138 229
- Email: tvd.technology@gmail.com
